
مرشح تمرير النطاق 1920-1930MHz و2110-2170MHz 4.3-10 أنثى
1. رفض عالي
2. خسارة إدخال منخفضة، نسبة موجية ثابتة منخفضة، نسبة PIM(IM3) منخفضة
3. حماية مدمجة من الصواعق
المواصفات الكهربائية
|
نطاق التردد |
الاستقبال:1920-1930 ميغا هرتز |
الإرسال: 2110-2170 ميغا هرتز |
|
خسارة الإدراج |
أقل من أو يساوي 1.0 ديسيبل |
أقل من أو يساوي 0.5 ديسيبل |
|
خسارة العودة |
أكبر من أو يساوي 20 ديسيبل |
|
|
الرفض |
أكبر من أو يساوي 40 ديسيبل @1935-1990 ميجا هرتز |
|
|
مقاومة |
50Ω |
|
|
الحد الأقصى لقوة الإدخال |
120W |
|
|
بيم (IM3) |
أقل من أو يساوي -160dBc @ 2×20W |
|
|
دي سي/إيه آي إس جي |
تجاوز (الحد الأقصى 3 أمبير، 10-32 فولت تيار مستمر) |
|
بيئيتحديد
|
الحماية من الصواعق |
10KA؛ نبضة 10/350us |
|
تأخير الإرسال |
أقل من أو يساوي 1 مللي ثانية |
|
درجة حرارة التشغيل |
-40 درجة إلى +65 درجة |
|
درجة حرارة التخزين |
-40 درجة إلى +85 درجة |
|
الرطوبة البيئية |
5% إلى 95% |
|
طلب |
داخلي أو خارجي، IP67 |
المواصفات الميكانيكية
|
الموصلات |
7/16 DIN أنثى أو 4.3-10 أنثى |
|
التركيب |
عمود (مشابك متضمنة لعمود Ø30-125 مم) أو مثبت على الحائط |
|
لون |
رمادي |
|
وزن |
أقل من أو يساوي 4.0 كجم (وحدة مزدوجة تتضمن قوسًا) |
|
أبعاد |
150*125*95 مم (وحدة مزدوجة بدون موصل) |
البعد

مخطط تخطيطي

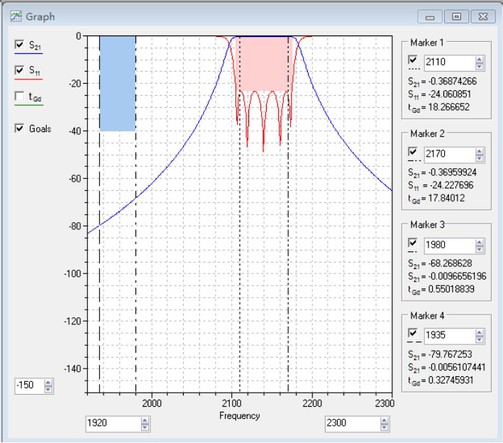
منحنى المحاكاة
(1) 1920-1930 ميغا هرتز:

(2) 2110-2170 ميغا هرتز

الوسم : مرشح تمرير النطاق 1920-1930 ميجا هرتز و 2110-2170 ميجا هرتز 4.3-10 أنثى، الشركات المصنعة، الموردين، المصنع، الأفضل، عالي الجودة
إرسال التحقيق
